Featured image of post 电荷式ChargePump工作原理

电荷式ChargePump工作原理

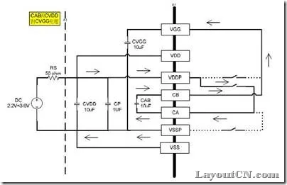
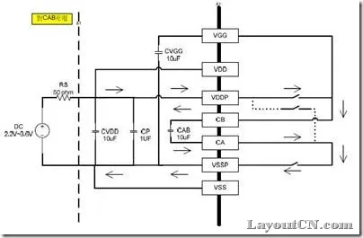
现在在一些便携式电子产品中,特别是需要驱动多LED时,都需要一个升压电路,传统的逆变器不满足现在电子产品小型化,集成化的特点,因此在现在DC/DC中通常采用charge pump技术,可以用soc的设计思想将升压模块集成到ic中,实现1x,1.5x,2x的升压。下面简单地介绍一下电荷式Charge Pump的工作原理(同样也有电感式Charge Pump,在此不予以介绍)。 Charge Pump,亦称电荷汞,其基本原理很简单:Q=C*U。C固定,如果电压大的话,电量也多。其升压过程可用下图来表示: clip_image001 下面用富晶公司的FS9821(MSP类型)来简单地介绍一下这个过程: FS982x是一款MSP,工作电压2.2-3.6V,内部有14bit(实际有24bit),6ch的ADC,,内置1-2个op,risc核,lcd驱动等,其工作电流仅4mA,待机电流(时钟模式)0.01mA,内部有2x的升压电路,可将电池电压升高到外部所需的工作电压4.4v-7.2v。其也是采用Charge Pump将电源电压升高到其的两倍: 步骤一:ic内部首先将VDDP接CB,VSS接CA,VDD开始对CAB电容充电,如下图所示: clip_image003 clip_image004 步骤二:ic内部将VDDP接至CA,VGG接至CB,VDD与CAB开始对CVGG电容充电,如下图所示: clip_image006 clip_image007 最后CVGG上的电压实际上是CVDD的电压加上CAD的电压,由于充电有一个过程,所以开关的不同的开关频率可控制CVGG充电电压。 因此最后就实现了倍压的做法!

陕ICP备20000710号
本站已运行15年5月22天
发表了400篇文章 · 总计14万2千字
最后更新:2026-02-07
Umami
Built with Hugo
Theme Stack designed by Jimmy